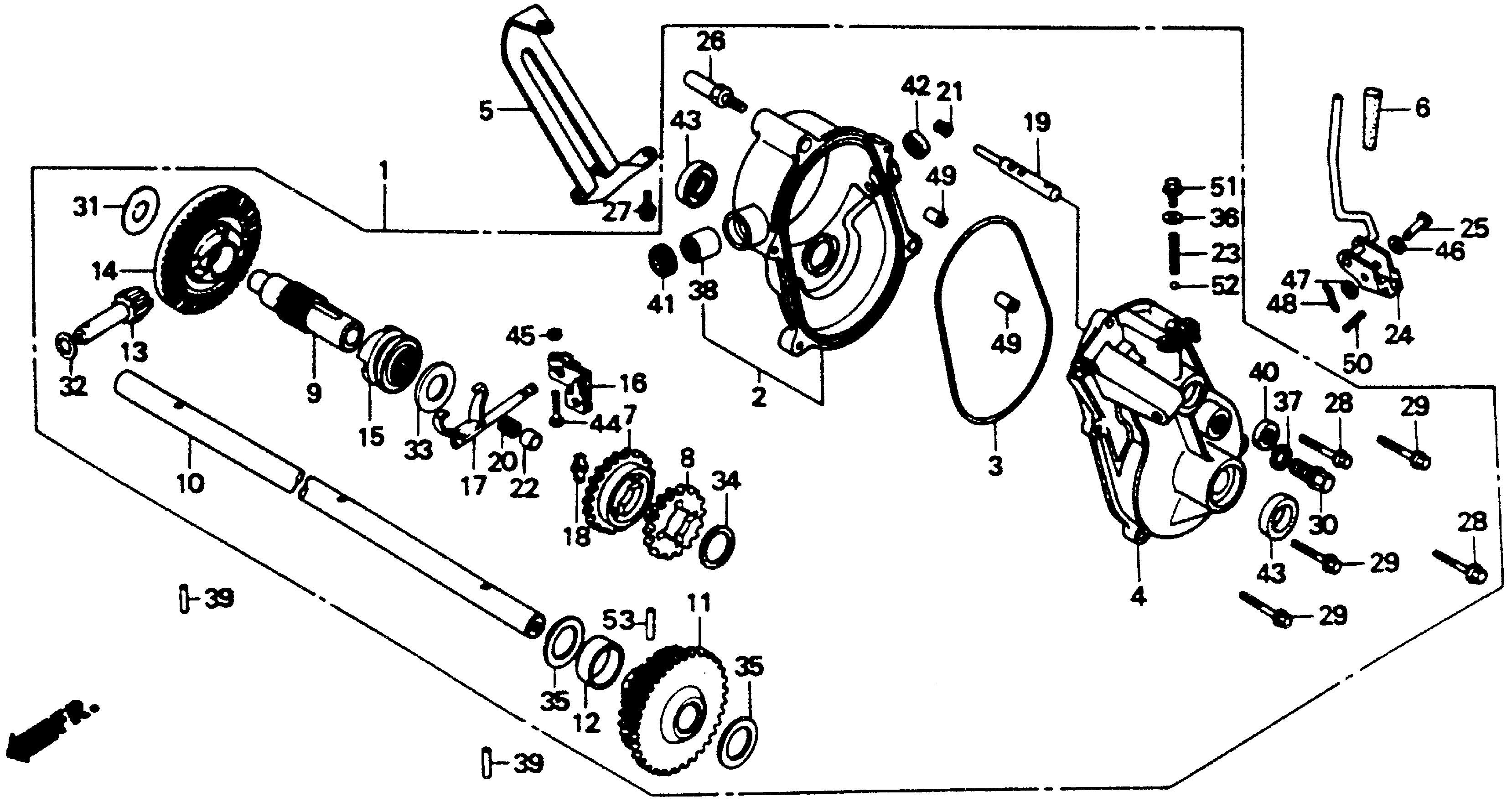
Lawn Mowers HR HR216 HR216 SXA# MACR-6000001-9999999 TRANSMISSION - SG Power Equipment

Ref No
Part Number
Description
Serial Range
Qty
Price

Ref No
1
Part Number
20001-VB3-800
Description
TRANSMISSION ASSY.
Serial Range
1109318 - 9999999

Ref No
2
Part Number
21510-VB3-800
Description
CASE, R. TRANSMISSION
Serial Range
1000001 - 9999999
Qty
Price
$132.60

Ref No
3
Part Number
21592-VA3-801
Description
O-RING, TRANSMISSION CASE
Serial Range
1000001 - 9999999
Qty
Price
$5.58

Ref No
4
Part Number
21611-VB3-800
Description
CASE, L. TRANSMISSION
Serial Range
1000001 - 9999999

Ref No
5
Part Number
22511-VA3-800
Description
GUIDE, TRANSMISSION MOUNT
Serial Range
1000001 - 9999999

Ref No
6
Part Number
22542-900-000
Description
GRIP, FR. CLUTCH LEVER
Serial Range
1000001 - 9999999
Qty
Price
$6.78

Ref No
7
Part Number
23111-VB3-800
Description
GEAR, HIGH SPEED DRIVING (NOT AVAILABLE)
Serial Range
1000001 - 9999999

Ref No
8
Part Number
23211-VB3-800
Description
GEAR, LOW SPEED DRIVE (NOT AVAILABLE)
Serial Range
1000001 - 9999999

Ref No
9
Part Number
23221-VB3-800
Description
COUNTERSHAFT (NOT AVAILABLE)
Serial Range
1000001 - 9999999

Ref No
10
Part Number
23251-VB3-800
Description
SHAFT, FINAL
Serial Range
1000001 - 1042920

Ref No
10
Part Number
23251-VB3-801
Description
SHAFT, FINAL
Serial Range
1042921 - 9999999

Ref No
11
Part Number
23350-VB3-800
Description
GEAR, FINAL (NOT AVAILABLE)
Serial Range
1000001 - 9999999

Ref No
12
Part Number
23354-VB3-800
Description
COLLAR, FINAL GEAR
Serial Range
1000001 - 1042921
Qty
Price
$4.66

Ref No
13
Part Number
23411-VB3-801
Description
PINION, BEVEL
Serial Range
1042922 - 9999999
Qty
Price
$42.58

Ref No
14
Part Number
23421-VB5-800
Description
GEAR, BEVEL (44T)
Serial Range
1000001 - 9999999

Ref No
15
Part Number
23431-VB5-800
Description
CLUTCH, DRIVEN
Serial Range
1000001 - 9999999

Ref No
16
Part Number
23436-VA3-801
Description
ARM, CLUTCH
Serial Range
1000001 - 9999999

Ref No
17
Part Number
23440-VB3-800
Description
SHAFT, SHIFT
Serial Range
1000001 - 9999999
Qty
Price
$25.30

Ref No
18
Part Number
24102-VB3-800
Description
SHIFTER
Serial Range
1000001 - 9999999
Qty
Price
$4.98

Ref No
19
Part Number
24122-VB3-800
Description
SLIDER, SHIFT
Serial Range
1000001 - 9999999
Qty
Price
$22.14

Ref No
20
Part Number
24123-VA4-800
Description
SPRING, SHIFT
Serial Range
1000001 - 9999999
Qty
Price
$3.58

Ref No
21
Part Number
24124-VA4-800
Description
SPRING, HIGH GEARSHIFT
Serial Range
1000001 - 9999999
Qty
Price
$2.38

Ref No
22
Part Number
24251-VA4-800
Description
RETAINER, SHIFT SPRING
Serial Range
1000001 - 9999999
Qty
Price
$3.90

Ref No
23
Part Number
24271-VB3-800
Description
SPRING, BALL SETTING
Serial Range
1000001 - 9999999

Ref No
24
Part Number
54311-VB3-800
Description
LEVER, CHANGE
Serial Range
1000001 - 9999999

Ref No
25
Part Number
54347-VB3-800
Description
PIN (8X30)
Serial Range
1000001 - 9999999
Qty
Price
$4.68

Ref No
26
Part Number
90012-VA4-800
Description
BOLT, GUIDE
Serial Range
1000001 - 9999999
Qty
Price
$4.02

Ref No
27
Part Number
90013-883-000
Description
BOLT, FLANGE (6X12) (CT200)
Serial Range
1000001 - 9999999

Ref No
28
Part Number
90123-VA4-800
Description
BOLT, FLANGE (6X28)
Serial Range
1000001 - 9999999
Qty
Price
$2.60

Ref No
29
Part Number
90125-VA4-800
Description
BOLT, FLANGE (6X25)
Serial Range
1000001 - 9999999
Qty
Price
$3.22

Ref No
30
Part Number
90131-ZE1-000
Description
BOLT, DRAIN PLUG
Serial Range
1000001 - 9999999
Qty
Price
$2.96

Ref No
31
Part Number
90452-VB5-800
Description
WASHER, THRUST (12MM)
Serial Range
1000001 - 9999999
Qty
Price
$6.46

Ref No
32
Part Number
90452-187-000
Description
WASHER (10X21)
Serial Range
1000001 - 9999999
Qty
Price
$2.92

Ref No
33
Part Number
90452-883-000
Description
WASHER, THRUST (18MM)
Serial Range
1000001 - 9999999
Qty
Price
$3.14

Ref No
34
Part Number
90453-235-000
Description
WASHER, THRUST (16MM)
Serial Range
1000001 - 9999999
Qty
Price
$2.34

Ref No
35
Part Number
90458-166-000
Description
WASHER (15MM) (NOT AVAILABLE)
Serial Range
1000001 - 9999999

Ref No
36
Part Number
90463-KRM-840
Description
WASHER, SEALING (6.2X12X1.2)
Serial Range
1000001 - 9999999
Qty
Price
$1.72

Ref No
37
Part Number
90601-ZE1-000
Description
WASHER, DRAIN PLUG (10.2MM)
Serial Range
1000001 - 9999999

Ref No
38
Part Number
91012-VB5-801
Description
BEARING, NEEDLE (10X17X20)
Serial Range
1000001 - 9999999
Qty
Price
$16.84

Ref No
39
Part Number
91101-VA4-801
Description
ROLLER (5X23.8)
Serial Range
1000001 - 9999999

Ref No
40
Part Number
91201-VA4-801
Description
OIL SEAL (10X20X5)
Serial Range
1000001 - 9999999
Qty
Price
$5.12

Ref No
41
Part Number
91202-KA3-711
Description
OIL SEAL (10X17X4) (ARAI)
Serial Range
1000001 - 9999999

Ref No
41
Part Number
91206-VA3-J02
Description
OIL SEAL (10X17X4)
Serial Range
1042922 - 9999999
Qty
Price
$2.56

Ref No
42
Part Number
91201-ZE9-003
Description
OIL SEAL (8X14X5)
Serial Range
1042922 - 9999999
Qty
Price
$5.10

Ref No
42
Part Number
91203-952-771
Description
OIL SEAL (8X14X5)
Serial Range
1000001 - 9999999

Ref No
43
Part Number
91201-246-005
Description
OIL SEAL (15X24X5)
Serial Range
1000001 - 9999999
Qty
Price
$8.90

Ref No
44
Part Number
92101-05020-0A
Description
BOLT, HEX. (5X20)
Serial Range
1000001 - 9999999
Qty
Price
$1.42

Ref No
45
Part Number
94001-05000-0S
Description
NUT, HEX. (5MM)
Serial Range
1000001 - 9999999
Qty
Price
$3.34

Ref No
46
Part Number
94101-08800
Description
WASHER, PLAIN (8MM)
Serial Range
1000001 - 1000025
Qty
Price
$2.36

Ref No
47
Part Number
94102-08000
Description
WASHER, PLAIN (8MM)
Serial Range
1000026 - 9999999
Qty
Price
$1.14

Ref No
48
Part Number
94201-20150
Description
PIN, SPLIT (2.0X15)
Serial Range
1000001 - 9999999
Qty
Price
$1.26

Ref No
49
Part Number
94301-08140
Description
PIN, DOWEL (8X14)
Serial Range
1000001 - 9999999
Qty
Price
$2.74

Ref No
50
Part Number
94305-40202
Description
PIN, SPRING (4X20)
Serial Range
1000001 - 9999999
Qty
Price
$2.76

Ref No
51
Part Number
95701-06010-00
Description
BOLT, FLANGE (6X10)
Serial Range
1000001 - 9999999
Qty
Price
$1.54

Ref No
52
Part Number
96211-06000
Description
BALL, STEEL (#6) (3/16)
Serial Range
1000001 - 9999999
Qty
Price
$0.64

Ref No
53
Part Number
96220-60224
Description
ROLLER (6X22.4)
Serial Range
1000001 - 9999999
Qty
Price
$2.58