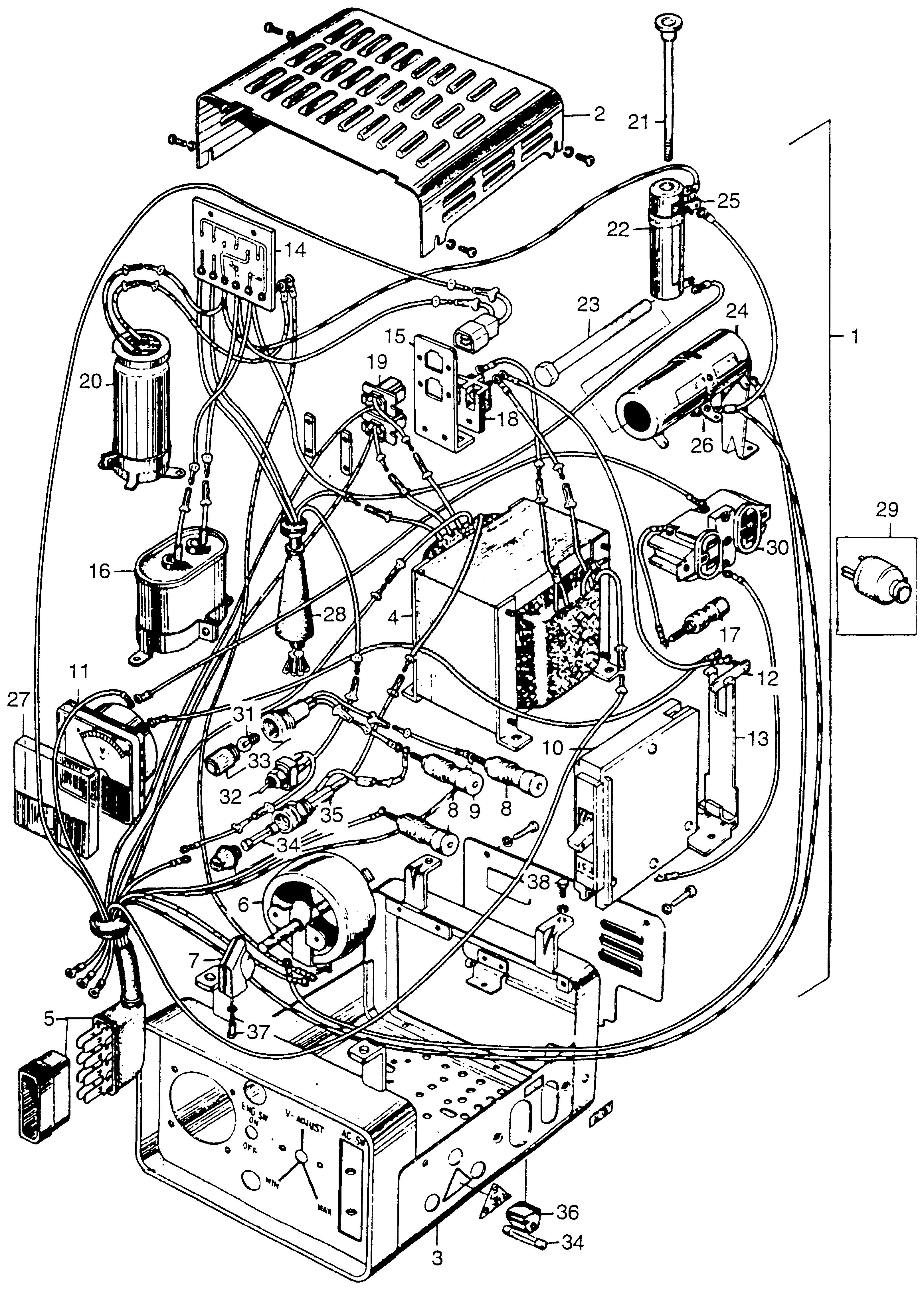
Generators E E1500 E1500K1 A E1500-1171001-1191630 CONTROL BOX - SG Power Equipment

Ref No
Part Number
Description
Serial Range
Qty
Price

Ref No
1
Part Number
31400-839-675H
Description
BOX ASSY., CONTROL *R8* (BRIGHT RED)
Serial Range
1000001 - 9999999

Ref No
2
Part Number
31401-839-158H
Description
COVER, CONTROL UP *R8* (BRIGHT RED) (NOT AVAILABLE)
Serial Range
1000001 - 9999999

Ref No
3
Part Number
31402-839-179H
Description
COVER, CONTROL UNIT (R8)
Serial Range
1000001 - 9999999

Ref No
4
Part Number
31403-839-673
Description
TRANSFORMER ASSY., CURRENT
Serial Range
1000001 - 9999999

Ref No
5
Part Number
31404-839-178
Description
WIRE HARNESS (8P)
Serial Range
1000001 - 9999999

Ref No
6
Part Number
31406-839-168
Description
RESISTOR, VARIABLE (NOT AVAILABLE)
Serial Range
1000001 - 9999999

Ref No
7
Part Number
31407-815-158
Description
KNOB, ADJUSTING (NOT AVAILABLE)
Serial Range
1000001 - 9999999

Ref No
8
Part Number
31408-880-000
Description
TERMINAL, D.C. OUTPUT (+)
Serial Range
1000001 - 9999999
Qty
Price
$45.58

Ref No
9
Part Number
31409-880-000
Description
TERMINAL, D.C. OUTPUT (-)
Serial Range
1000001 - 9999999
Qty
Price
$45.58

Ref No
10
Part Number
31430-899-630
Description
BREAKER, CIRCUIT (12.5A) (NOT AVAILABLE)
Serial Range
1000001 - 9999999

Ref No
11
Part Number
37450-898-000
Description
VOLTMETER ASSY.
Serial Range
1000001 - 9999999
Qty
Price
$230.32

Ref No
12
Part Number
31414-815-169
Description
TERMINAL, BREAKER (NOT AVAILABLE)
Serial Range
1000001 - 9999999

Ref No
13
Part Number
31415-815-168
Description
SUPPORT, BREAKER (NOT AVAILABLE)
Serial Range
1000001 - 9999999

Ref No
14
Part Number
31417-839-159
Description
STACK ASSY., DIODE (NOT AVAILABLE)
Serial Range
1000001 - 9999999

Ref No
15
Part Number
31425-839-168
Description
PLATE, CONNECTOR
Serial Range
1000001 - 9999999

Ref No
16
Part Number
31426-839-168
Description
CONDENSER ASSY., B
Serial Range
1000001 - 9999999

Ref No
17
Part Number
31428-880-000
Description
TERMINAL ASSY., GROUND (NOT AVAILABLE)
Serial Range
1000001 - 9999999

Ref No
18
Part Number
31430-839-159
Description
TERMINAL ASSY., FREQUENCY
Serial Range
1000001 - 9999999

Ref No
19
Part Number
31431-839-168
Description
CONNECTOR, FREQUENCY
Serial Range
1000001 - 9999999

Ref No
20
Part Number
31446-839-168
Description
CONDENSER ASSY.
Serial Range
1000001 - 9999999

Ref No
21
Part Number
31451-840-168
Description
BOLT, ADJUSTABLE RESISTOR (NOT AVAILABLE)
Serial Range
1000001 - 9999999

Ref No
22
Part Number
31452-839-158
Description
RESISTOR, ADJUST (NOT AVAILABLE)
Serial Range
1000001 - 9999999

Ref No
23
Part Number
31453-840-168
Description
BOLT, RESISTOR SET
Serial Range
1000001 - 9999999

Ref No
24
Part Number
31455-839-158
Description
RESISTOR SET
Serial Range
1000001 - 9999999

Ref No
25
Part Number
31458-840-158
Description
PLATE, ADJ. (18MM)
Serial Range
1000001 - 9999999

Ref No
26
Part Number
31459-840-158
Description
PLATE, ADJ. (27MM)
Serial Range
1000001 - 9999999

Ref No
27
Part Number
31499-839-158
Description
LENS, METER (NOT AVAILABLE)
Serial Range
1000001 - 9999999

Ref No
28
Part Number
32121-839-178
Description
WIRE HARNESS (4P)
Serial Range
1000001 - 9999999

Ref No
29
Part Number
32310-801-810
Description
PLUG ASSY. (NOT AVAILABLE)
Serial Range
1000001 - 9999999

Ref No
30
Part Number
32333-880-680
Description
RECEPTACLE (15A/125V)
Serial Range
1000001 - 9999999
Qty
Price
$80.04

Ref No
31
Part Number
34909-880-000
Description
BULB, DASH (24V-2W)
Serial Range
1000001 - 9999999

Ref No
32
Part Number
36100-839-158
Description
SWITCH ASSY., ENGINE (NOT AVAILABLE)
Serial Range
1000001 - 9999999

Ref No
33
Part Number
37561-839-178
Description
SOCKET ASSY., PILOT LAMP
Serial Range
1000001 - 9999999

Ref No
34
Part Number
38201-815-605
Description
FUSE (8A) (NOT AVAILABLE)
Serial Range
1000001 - 9999999
Qty
Price
$4.92

Ref No
35
Part Number
38211-815-178
Description
HOLDER, FUSE (NOT AVAILABLE)
Serial Range
1000001 - 9999999

Ref No
36
Part Number
38221-815-168
Description
SUPPORTER, SPARE FUSE
Serial Range
1000001 - 9999999

Ref No
37
Part Number
90191-815-168
Description
BOLT, KNOB (NOT AVAILABLE)
Serial Range
1000001 - 9999999

Ref No
38
Part Number
92101-05008-0A
Description
BOLT, HEX. (5X8)
Serial Range
1000001 - 9999999
Qty
Price
$1.04